Zum Hauptinhalt springen Zur Suche springen Zur Hauptnavigation springen
07191-32750 info@speedstores.de
Schnelle Lieferung • Günstiger Versand
Fahrzeug wählen
Leider konnten wir kein passendes Fahrzeug mit der HSN/TSN finden

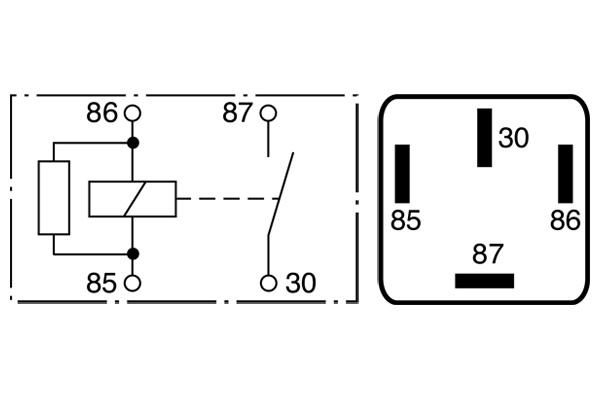
BOSCH 0 986 332 071 Blinkgeber

Produktinformationen "BOSCH 0 986 332 071 Blinkgeber"

Spannung [V]: 12
Betriebsart: elektrisch
Betriebsart: elektrisch
Spannung [V]: 12
Eigenschaften
Vergleichsnummern
OE Nummern
MG YWB 10012, ROVER YWB 10012, HYUNDAI 95224 38050, HYUNDAI 95230-3A400, KIA 95224 38050
OEM Nummern
HERTH+BUSS ELPARTS 75613215, SIEMENS V23134-B52-X127, SIEMENS V23134-B52-X446, NAGARES RLPS/4-12, METAL LEVE MR 84
Gebrauchsnummer
V23134-B52-X446
EAN
213003473165
Passende Fahrzeuge
Fahrzeug
Dokumente
Produktsicherheit
Verantwortliche Firma
Robert Bosch GmbH, Mobility Aftermarket
Auf der Breit 4
76227 Karlsruhe
Deutschland